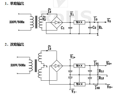
一、S系列電源變壓器配接三端穩壓器件時的典型應用電路

二、 S系列電源變壓器按上述電路應用,并且次級輸出電流為說明書中給定的額定值時,輸入輸出特性見下表(表中參數值是在限定電網電壓為220V/50Hz,次級電流為額定值時實際測量得到的值)。
單路:
變壓器 型號 | 穩壓器件 型號 | I2 (mA) | V1 (V) | VO (V) | IO (mA) | 電網電壓 可拉偏范圍 |
7806 | 1666 | 8.9 | 5.9 | 1200 | 195~242 | |
7806 | 1111 | 8.9 | 5.8 | 800 | 195~242 | |
7806 | 556 | 8.8 | 6 | 425 | 200~242 | |
7806 | 222 | 9.2 | 6 | 180 | 190~242 | |
7806 | 111 | 9.2 | 6 | 90 | 190~242 | |
7809 | 1250 | 12.7 | 8.9 | 900 | 190~242 | |
7809 | 834 | 12.7 | 9 | 625 | 190~242 | |
7809 | 417 | 12.8 | 9 | 325 | 189~242 | |
7809 | 167 | 12.7 | 9 | 125 | 190~242 | |
7809 | 83 | 12.6 | 9 | 65 | 192~242 |
單路(續):
變壓器 型號 | 穩壓器件 型號 | I2 (mA) | V1 (V) | VO (V) | IO (mA) | 電網電壓 可拉偏范圍 |
7812 | 1000 | 16.2 | 11.8 | 750 | 190~242 | |
7812 | 666 | 16 | 12 | 500 | 192~242 | |
7812 | 334 | 16.3 | 11.9 | 250 | 189~242 | |
7812 | 133 | 16 | 12 | 100 | 192~242 | |
7812 | 67 | 16.4 | 12 | 50 | 188~242 | |
7815 | 833 | 20.2 | 15 | 625 | 185~242 | |
7815 | 555 | 19.6 | 15 | 420 | 190~242 | |
7815 | 278 | 19.5 | 15 | 210 | 190~242 | |
7815 | 111 | 19.8 | 15 | 80 | 188~242 | |
7815 | 56 | 19.5 | 15 | 42 | 190~242 |
雙路:
變壓器 型號 | 穩壓器件 型號 | I2 (mA) | VI (/V) | VO (V) | IO (mA) | 電網電壓 可拉偏范圍 |
7806、7906 | 833 | ±9.5 | ±6 | 650 | 185~242 | |
7806、7906 | 555 | ±9.3 | ±6 | 450 | 190~242 | |
7806、7906 | 278 | ±9.3 | ±6 | 230 | 190~242 | |
7806、7906 | 111 | ±10 | ±6 | 100 | 178~242 | |
7806、7906 | 56 | ±9.5 | ±6 | 45 | 185~242 | |
7809、7909 | 625 | ±13 | ±9 | 500 | 187~242 | |
7809、7909 | 416 | ±13 | ±9 | 325 | 187~242 | |
7809、7909 | 208 | ±13 | ±9 | 165 | 187~242 | |
7809、7909 | 83 | ±13.1 | ±9 | 65 | 185~242 | |
7809、7909 | 42 | ±13.1 | ±9 | 33 | 185~242 | |
7812、7912 | 500 | ±17 | ±12 | 375 | 182~242 | |
7812、7912 | 333 | ±17.1 | ±12 | 250 | 180~242 | |
7812、7912 | 167 | ±17.1 | ±12 | 125 | 180~242 | |
7812、7912 | 67 | ±17.1 | ±12 | 50 | 180~242 | |
7812、7912 | 33 | ±17.1 | ±12 | 25 | 180~242 | |
7815、7915 | 416 | ±20.4 | ±15 | 350 | 185~242 | |
7815、7915 | 277 | ±19.9 | ±15 | 250 | 188~242 | |
7815、7915 | 139 | ±19.5 | ±15 | 125 | 192~242 | |
7815、7915 | 55 | ±19.7 | ±15 | 50 | 190~242 | |
7815、7915 | 28 | ±19.4 | ±15 | 25 | 193~242 |