一、特點:
1.體積小,精度高;印刷線路板直接焊接安裝,使用方便,外形美觀;
2.全封閉,機械和耐環境性能好,電壓隔離能力強,安全可靠。
二、使用環境條件:
1.環境溫度:-55℃~+85℃;
2.相對濕度:溫度為40℃時不大于90%;
3.大氣壓力:860~1060mbar(約為650~800mmHg)。
三、工作頻率范圍:20Hz~20kHz。
四、絕緣耐熱等級:F級(155℃)。
五、安全特性:
1.絕緣電阻:常態時大于1000MΩ;
2.抗電強度:可承受工頻2kV50Hz /1分鐘;
3.阻燃性:符合UL94-V0級。
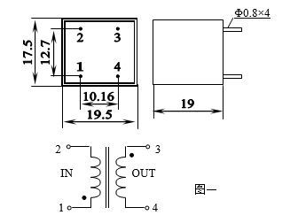
六、外形圖、安裝尺寸及線圈圖(見圖一):

七、典型應用及性能參數:
TV1013是一種電流型電壓互感器,典型應用如圖二和圖三,性能參數見下表。


八、注意事項:
本型電壓互感器其原理是電流型電壓互感器,所以次級電路不允許開路使用,也因于此,請不要在次級回路安裝熔斷器。