一、特點:
1.輸入線圈為內置式,印刷線路板直接焊接安裝,外形美觀;
2.輸入輸出變比可調,使用方便靈活;
3.體積小,精度高;全封閉,機械和耐環境性好,電壓隔離能力強、安全可靠。
二、使用環境條件:
1.環境溫度:-55℃~+85℃;
2.相對濕度:溫度為40℃時不大于90%;
3.大氣壓力:860~1060mbar(約為650~800mmHg)。
三、工作頻率范圍:20Hz~1kHz。
四、絕緣耐熱等級:B級(130℃)。
五、安全特性:
1.絕緣電阻:常態時大于1000MΩ;
2.抗電強度:可承受工頻2kV50Hz /1分鐘;
3.阻燃性:符合UL94-V0級。
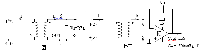
六、外形圖、安裝尺寸和線圈圖:

七、典型應用及性能參數:

1.電阻法直接獲得采樣電壓時(圖二),性能參數見表一;
2.用IC法獲得采樣電壓時(圖三),性能參數見表二;
表一:

表二:

八、注意事項:
1.電流互感器初級應串聯于被測電流回路中,次級應近似工作于短路狀態;
2.電流互感器次級電路不允許開路,所以請不要裝熔斷器。