一、特點:
1.立式穿芯,安裝方便;
2.采用標準端子排引出,接線方便;
3.環氧固定,抗震能力強,外形美觀。
二、使用環境條件:
1.環境溫度:-55℃~+85℃;
2.相對濕度:溫度為40℃時不大于90%;
3.大氣壓力:860~1060mbar(約為650~800mmHg)。
三、工作頻率范圍:20Hz~1kHz。
四、絕緣耐熱等級:B級。
五、安全特性:
1.絕緣電阻:常態時大于1000MΩ;
2.抗電強度:可承受工頻3000V/1分鐘;
3.阻燃性:符合UL94-Vo級。
4.過載特性:輸入5倍額定電流,互感器可以長期工作;
輸入10倍額定電流,互感器可以工作十分鐘。
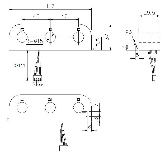
六、外形圖、安裝尺寸和線圈圖:
1.外形及安裝尺寸見圖一

圖一
2.線圈圖見圖二

圖二
七、性能參數:
按圖三所示應用時性能參數見下表:
產品型號 | 額定 輸入電流 | 額定 輸出電壓 | 非線性度 |
STA2328-01 | 5A | 0.707V | ≤0.5% |
STA2328-02 | 10A | ||
STA2328-03 | 30A | ||
STA2328-04 | 50A |