一、特點:
1.立式穿芯,安裝方式靈活,既可固定于母線上,又可固定在底板上。
2.輸出為軟線引出形式,便于在工程現場接線;
二、使用環境條件:
1.環境溫度:-40℃~+85℃;
2.相對濕度:溫度為40℃時不大于90%;
3.大氣壓力:860~1060mbar(約為650~800mmHg)。
三、工作頻率范圍:20Hz~20kHz。
四、絕緣耐熱等級:b級(130℃)。
五、安全特性
1.絕緣電阻:常態時大于1000MΩ;
2.抗電強度:可承受工頻6000V/50Hz/1分鐘;
3.阻燃性:符合UL94-Vo級。
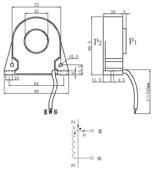
六、外形圖、安裝尺寸及線圈圖見下圖一:

圖一
七、典型應用及性能參數:
按圖二所示應用時性能參數見下表:

產品型號 | 額定 輸入電流 | 額定 輸出電流 | 額定 采樣電阻 RL | 額定 采樣電壓 | 相移 | 非線性度 | 線性范圍 | 耐壓 (kV) |
TA035-01M | 100A | 0.1A | 20Ω | 2V | ≤30’ | ≤0.25% | 3倍額定 | ≥6 |
TA035-02M | 200A | 0.1A | 40Ω | 4V | ≤30’ | |||
TA035-03M | 300A | 0.1A | 60Ω | 6V | ≤30’ | |||
TA035-04M | 400A | 0.1A | 80Ω | 8V | ≤30’ | |||
TA035-05M | 500A | 0.1A | 100Ω | 10V | ≤30’ |
注意:此系列互感器用于電機保護、軟啟動、大電流監控的場所
● 說明:
a.實際應用中,采樣電阻應小于或等于上表給出的額定值,這樣會改善非線性度和相移。
b.若用戶需要的變流比與上述不同,可按用戶要求訂制。
八、注意事項:
1.電流互感器初級應串聯于被測電流回路中,次級應近似工作于短路狀態;
2.電流互感器次級回路在工作時不允許開路,所以請不要裝熔斷器。