一、特點:
1.立式穿芯,印刷線路板直接焊接安裝;
2.體積小,精度高,外形美觀;
3.全封閉,機械和耐環境性能好,電壓隔離能力強。
二、使用環境條件:
1.環境溫度:-55℃~+85℃;
2.相對濕度:溫度為40℃時不大于90%;
3.大氣壓力:860~1060mbar(約為650~800mmHg)。
三、工作頻率范圍:20Hz~20kHz。
四、絕緣耐熱等級:B級(130℃)。
五、安全特性:
1.絕緣電阻:常態時大于1000MΩ;
2.抗電強度:可承受工頻6kV50Hz /1分鐘;
3.阻燃性:符合UL94-V0級。
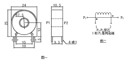
六、外形圖、安裝尺寸(圖一)線圈圖(圖二):

七、典型應用及性能參數:
1.用電阻法直接獲得采樣電壓時(如圖三所示)性能參數見表一;
2.用IC法獲行采樣電壓時(如圖四所示)性能參數見表二;

表一:
產品型號 | 額定 輸入電流 | 額定 輸出電流 | 額定 采樣電阻 | 額定 采樣電壓 | 相移 | 非線性度 | 線性范圍 |
TA1319-01 | 5A | 5mA | 140Ω | 0.7V | ≤30’ | ≤0.2% | ≥2倍額定 |
TA1319-01M | 5A | 5mA | 200Ω | 1.0V | ≤30’ | ≤0.25% | |
TA1319-02 | 5A | 2.5mA | 560Ω | 1.4V | ≤25’ | ≤0.2% | |
TA1319-02M | 5A | 2.5mA | 800Ω | 2.0V | ≤25’ | ≤0.25% |
表二:
產品型號 | 額定 輸入電流 | 額定 輸出電流 | 額定采樣電壓 | 相移 | 非線性度 | 線性范圍 |
TA1319-1 | 5A | 5mA | ≤1/2倍IC電源電壓 | ≤5’ | ≤0.1% | ≥2倍額定 |
TA1319-1M | 5A | 5mA | ||||
TA1319-2 | 5A | 2.5mA | ||||
TA1319-2M | 5A | 2.5mA |
八、注意事項:
1.電流互感器初級應串聯于被測電流回路中,次級應近似工作于短路狀態;
2.電流互感器次級電路不允許開路,所以請不要裝熔斷器。