一、特點:
1.全封閉高壓硅膠軟線引出,底板固定安裝,使用方便、外形美觀;
2.結構緊湊、堅固、抗振、防潮、阻燃;
3.空載電流小,功率因數高,輸入過電壓范圍寬;
4.抗電強度高達35KV。
二、使用環境條件:
1.環境溫度:-25℃~+70℃;
2.相對濕度:溫度為40℃時不大于90%;
3.大氣壓力:860~1060mbar (約為650~800mmHg)
三、絕緣耐熱等級:B級(130℃)
四、安全特性:
1.絕緣電阻:常態時大于1000MΩ;
2.抗電強度:可承受工頻35KV/1分鐘;
3.抗電沖擊:可承受脈沖6KV/50μS連續20次沖擊;
4.阻燃性:符合UL94-Vo級;
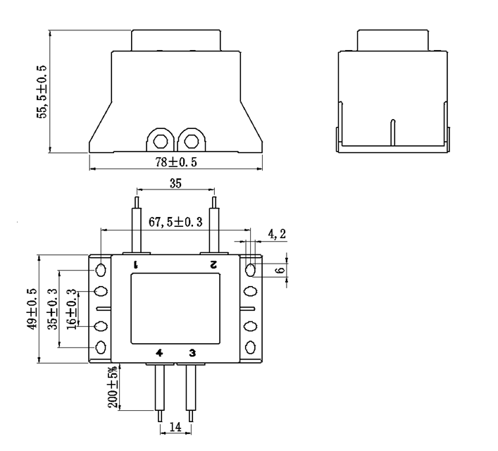
五、外形尺寸及安裝尺寸見下圖:

六、現有型號參數表:
1.SG3505-01

七、本系列產品為定制產品,如需其他參數可按用戶要求設計。