一、特點:
1.全封閉印刷線路板直接焊接安裝、使用方便、外形美觀;
2.結構緊湊、堅固、抗振、防潮、阻燃、抗電強度高;
3.輸入電壓高,體積小、功率密度大;
二、使用環境條件
1.環境溫度:-25℃~+70℃;
2.相對濕度:溫度為40℃時不大于90%;
3.大氣壓力:860~1060mbar(約為650~800mmHg)
三、絕緣耐熱等級:B級(130℃)
四、安全特性:
1.絕緣電阻:常態時大于1000MΩ
2.抗電強度:優于GB/T15290標準要求;
3.阻燃性:符合UL94-Vo級;
4.抗電沖擊:可承受脈沖6kV/50μs連續10次沖擊;
五、安全認證:CE、
六、額定功率:6VA
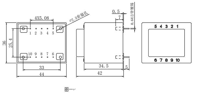
七、外形圖、安裝尺寸及引腳位置:

八、現有型號參照表:
1.HV1006-01

九、本系列產品參數為定做,參數可按照客戶要求設計。