一、特點:
1.直接固定在5×40扁排式母線上;
2.全封閉,機械和耐環境性好,電壓隔離能力強,精度高,安全可靠。
二、使用環境條件:
1.環境溫度:-55℃~+55℃;
2.相對濕度:溫度為40℃時不大于90%;
3.大氣壓力:860~1060mbar (約為650~800mmHg)。
三、工作頻率范圍:20Hz~1kHz
四、絕緣耐熱等級:B級 (130℃)
五、安全特性:
1.絕緣電阻:常態時大于1000MΩ;
2.抗電強度:可承受工頻6kV50Hz/1分鐘;
3.阻燃性:符合UL94-V0級。
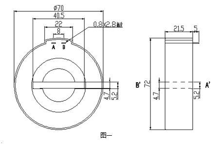
六、外形圖、安裝尺寸及線圈圖:見下圖一
1.外形圖、安裝尺寸見圖一:

2.線圈圖見圖二:

七、典型應用及性能參數:
按圖三所示應用時性能參數見下表。
產品型號 | 額定 輸入電流 | 額定 輸出電流 | 額定 采樣電阻 | 額定 采樣電壓 | 相移 | 非線性度 | 線性范圍 |
TA5062-01 | 600A | 0.1A | 100Ω | 12V | ≤30’ | ≤0.5% | 2.5倍額定 |
TA5062-02 | 600A | 0.2A | 25Ω | 6V | ≤30’ | ≤0.5% |
● 說明:
a. 實際應用中,采樣電阻應小于或等于上表給出的額定值,這樣會改善非線性度和相移;
b. 若用戶需要的變流比與上述不同,可按用戶要求訂制。
八、注意事項:
1.電流互感器初級應串聯于被測電流回路中,次級應近似工作于短路狀態;
2.電流互感器次級電路不允許開路,所以請不要裝熔斷器。