一、特點:
1.輸入為交流電流信號,輸出為交流電壓信號;
2.內置運算放大器,使得測量精度高;
3.全封閉,機械和耐環境性能好,使用安全、可靠;
4.外形美觀,小巧輕便,印刷線路板直接焊接安裝。
二、使用環境條件:
1.環境溫度:-55℃~+85℃;
2.相對濕度:溫度為40℃時不大于90%;
3.大氣壓力:860~1060mbar(約為650~800mmHg)。
三、工作頻率范圍:20Hz~10kHz。
四、絕緣耐熱等級:B級(130℃)。
五、安全特性:
1.絕緣電阻:常態時大于1000MΩ;
2.抗電強度:可承受工頻2kV50Hz /1分鐘;
3.阻燃性:符合UL94-V0級。
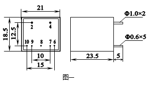
六、外形圖、安裝尺寸(圖一):

七、引出腳功能:(如下表)
腳號 | 2-4 | 6 | 7 | 8 | 9 | 10 |
功能 | 輸入 | +B | 調整 | 地 | -B | 輸出 |
八、性能參數:
1.額定輸入電流(有效值):5A (引腳號為2-4)
2.額定輸出電壓(有效值):5V (引腳號為8-10)
3.非線性度≤0.3%
4.相移≤30’
5.隔離耐壓≥2kV
6.工作電源電壓(B)±15V~22V
九、使用說明:
1.2-4為輸入線圈,串聯于被測電流回路;6腳接+B,9腳接–B;8腳接地,10腳為輸出端,7腳為調整端。
2.當輸入交流電流自0~5A變化時,10-8間輸出0~5V,并呈線性對應關系。
3.7-10間并接一個電容,可補償相移,一般電容量可選0.033μF,可將相移補償到≤15’
4.7-10間并接一電阻時,可改變輸出電壓。如果并接的電阻值為R,則輸入5A電流時,輸出電壓為:

十、注意事項:
1.8腳一定要接地,否則會影響精度;
2.若想將交流輸出信號變成直流信號,需用“絕對值整流”辦法來實現。否則由于二極管管壓降的存在,會破壞線性對應關系;
3.提高加到6、9腳的工作電源電壓,可擴大測量范圍;反之會縮小測量范圍;
4.如果您要的輸入輸出參數與本型號不符,可按您的要求訂做。