一、特點:
1.立式穿芯,多點固定;
2.使用于單根或多根母排穿越,特別是立式母排穿越;
3.輸出端子為螺絲緊固壓線式標準端子,便于在工程現場接線;
4.盒式結構,塑殼封閉,外形美觀。
二、使用環境條件:
1.環境溫度:-30℃~+70℃;
2.相對濕度:溫度為40℃時不大于90%;
3.大氣壓力:860~1060mbar(約為650~800mmHg)。
三、額定頻率:50Hz或60Hz。
四、絕緣耐熱等級:E級(120℃)。
五、安全特性:
1.絕緣電阻:常態時大于1000MΩ;
2.抗電強度:可承受工頻3kV50Hz/1分鐘;
3.阻燃性:符合UL94-V0級。
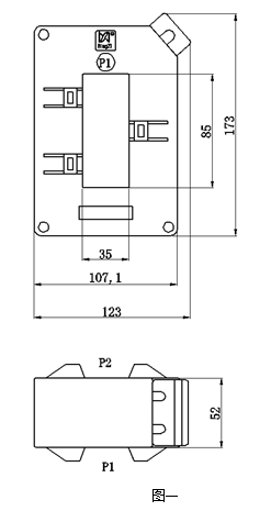
六、外形圖、安裝尺寸和線圈圖:
1.外形圖、安裝尺寸見圖一:

2.線圈圖見圖二:

● 說明:每只產品配套供給六個吸盤和六個M5固定母線螺絲。
七、典型應用及性能參數:
按圖三所示應用時性能參數見下表。

產品型號 | 額定 輸入電流 | 額定 輸出電流 | 額定 采樣電阻 RL | 額定 采樣電壓 | 非線性度 |
TAH8535-1 | 400A | 5A | 0.267Ω | 1.33V | ≤0.5% |
TAH8535-2 | 500A | 5A | 0.333Ω | 1.66V | ≤0.5% |
TAH8535-3 | 600A | 5A | 0.4Ω | 2V | ≤0.5% |
TAH8535-4 | 750A | 5A | 0.5Ω | 2.5V | ≤0.5% |
TAH8535-5 | 1000A | 5A | 0.667Ω | 3.33V | ≤0.5% |
TAH8535-6 | 1200A | 5A | 0.8Ω | 4V | ≤0.5% |
TAH8535-7 | 1500A | 5A | 1Ω | 5V | ≤0.5% |
TAH8535-8 | 2000A | 5A | 1.33Ω | 6.66V | ≤0.5% |
TAH8535-9 | 2500A | 5A | 1.66Ω | 8.33V | ≤0.5% |
TAH8535-10 | 3000A | 5A | 2Ω | 10V | ≤0.5% |
● 說明:
a.實際應用中,采樣電阻應小于或等于上表給出的額定值,這樣會改善非線性度和相移;
b.若用戶需要的變流比與上述不同,可按用戶要求訂制。
八、注意事項:
1.電流互感器初級應串聯于被測電流回路中,次級應近似工作于短路狀態;
2.電流互感器次級回路在工作時不允許開路,所以請不要裝熔斷器。