一、特點:
1.全封閉、耐環境性能好、絕緣隔離能力強,防潮抗震,外形美觀;
2.電流互感器二次引線顏色不同便于區分同名端;
3.采用組合式互感器比采用同數量單體互感器更節省表內空間;
4.三相三線電路采用二位一體,三相四線電路采用三位一體。
二、使用環境條件:
1.環境溫度:-55℃~+85℃;
2.相對濕度:溫度為40℃時不大于90%;
3.大氣壓力:860~1060mbar(約為650~800mmHg)。
三、工作頻率范圍:20Hz~20kHz。
四、絕緣耐熱等級:B級(130℃)。
五、安全特性:
1.絕緣電阻:常態時大于1000MΩ;
2.抗電強度:可承受工頻2.5kV/1分鐘;
3.阻燃性:符合UL94-V0級。
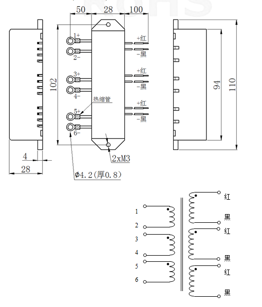
六、外形圖、安裝尺寸和線圈圖:
1.適用于三相三線(STA1318A)外形圖、安裝尺寸和線圈圖:

2.適用于三相四線(STA1318B)外形圖、安裝尺寸和線圈圖:

● 說明:輸入、輸出引線的長短可以根據客戶的要求特殊定做。
七、性能參數:
產品型號 | 額定 輸入電流 | 額定 輸出電流 | 最大 輸入電流 | 額定 采樣電阻 | 額定 采樣電壓 | 相移 | 非線性度 | 線性范圍 |
STA1318A-1M (適用于三相三線) | 0.5A | 5mA | 2A | 5Ω | 25mV | ≤5’ | ≤0.1% | ≥3倍額定 |
10Ω | 50mV | ≤5’ | ≤0.1% | |||||
20Ω | 100mV | ≤10’ | ≤0.2% | |||||
40Ω | 200mV | ≤10’ | ≤0.5% | |||||
STA1318A-2M (適用于三相三線) | 1.5A | 5mA | 6A | 5Ω | 25mV | ≤5’ | ≤0.1% | ≥3倍額定 |
10Ω | 50mV | ≤5’ | ≤0.1% | |||||
20Ω | 100mV | ≤10’ | ≤0.2% | |||||
40Ω | 200mV | ≤10’ | ≤0.5% | |||||
STA1318B-1M (適用于三相四線) | 1.5A | 7.5 mA | 6A | 5Ω | 37.5mV | ≤5’ | ≤0.1% | ≥3倍額定 |
10Ω | 70mV | ≤5’ | ≤0.1% | |||||
20Ω | 150mV | ≤10’ | ≤0.2% | |||||
40Ω | 300mV | ≤10’ | ≤0.5% | |||||
STA1318B-2M (適用于三相四線) | 5A | 5mA | 20A | 5Ω | 25mV | ≤5’ | ≤0.1% | ≥3倍額定 |
10Ω | 50mV | ≤5’ | ≤0.1% | |||||
20Ω | 100mV | ≤10’ | ≤0.2% | |||||
40Ω | 200mV | ≤10’ | ≤0.5% |
● 說明:
a.實際應用中,采樣電阻應小于或等于上表給出的額定值,這樣會改善非線性度和相移;
b.若用戶需要的變流比與上述不同,可按用戶要求訂制。
八、注意事項:
1.電流互感器初級應串聯于被測電路中,次級應近似工作于短路狀態;
2.電流互感器次級電路不允許開路,所以請不要在次級回路安裝熔斷器。